
該系列產品又叫做低噪音篩分過濾機,是資深技術工程師設計的一種便于移動、高效率、低噪音、小體積的小型振動篩分過濾機。尤其適用于雜質含量較少的粉末篩分與漿液過濾。
產品特點
1.上部篩框可以輕松拿下來,倒除不過篩網的雜質非常方便。
2.物料直接排出,篩機里面無死角,不產品二次污染。
3.采用內V式壓網方式,拆換篩網比較方便。
4.可以加尼龍剎車輪,移動非常方便。
5.加有防水罩,防止電機遇水。
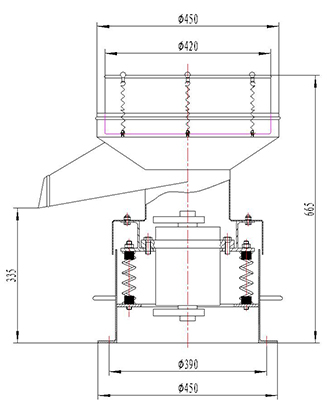
450型過濾篩采用新型立式振動電機為振動源,立式振動電機上、下端裝有偏心重錘,可產生水平、垂直、傾斜的三次元運動,激振力通過接料盤傳遞到篩框及物料上以達到優良分級。通過調節上、下偏心重錘的相位角,可改變物料在篩面上的運動軌跡,保證物料充分分級。
結構組成

450型過濾機由機體、振動、下料斗、篩筐、電控等構成。該機采用新型振動結構,振動穩,效率高;篩筐操作簡單,清洗方便,換網容易。該機外觀新穎,結構合理,使用方便,更適合常更變工作地點的場合使用。
換篩網方式
先把篩框從接料盤上取下,放松壓網螺栓,取走需要更換的篩網,然后將新篩網平鋪在篩框上,并放上網架,四周拉平(忌過緊),沿壓網圈留一公分,穿上壓網螺栓并擰緊,**后剪去多余篩網。
序號 | 名稱 | 單位 | 數值 |
1 | 直徑 | mm | Φ450 |
2 | 功率 | Kw | 0.18 |
3 | 噪音 | db | ≤50 |
4 | 外形尺寸 | mm | 460*550*665 |
5 | 電源 | V | 380V |
6 | 振幅 | mm | 2-5mm |

選型須知
根據您的物料名稱,每小時的產量,所需的網目,物料比重即可選型,盡快聯系我們吧!如果您是初次購買,聯系我們,我們將免費提供顧問式的服務,為您選擇合適的產品。

根據客戶上下游產品及現場空間,修改設備尺寸,定制設備結構,滿足客戶需求。
公司從事篩分及輸送設備20年,20年以上工作經驗的工程師2名,給客戶提供專業的建議和設備解決方案。
設備的質量,在原材料采購階段已經決定,所以我們有嚴格的采購體系和質檢體系,關注源頭細節。
公司建立了完善客戶回訪體系和售后服務體系,售后團隊響應及時,省內24小時奔赴現場,省外72小時奔赴現場。
源頭設備生產廠家,無中間環節,價格公正合理,讓客戶獲得實實在在的利益,獲得更多的增值服務。
合作只是起點,服務沒有終點,一次合作,終身朋友。凡購買恒宇公司的設備,提供終身的技術支持和設備維修服務。
使用過程中,如有任何疑問可隨時致電或在線咨詢。0373-5712316
